产品介绍
Y8系列连接器产品简介
属于仪器式电连接器
螺纹连接锁紧机构
品种多,规格全,有多种芯数,分为Y8B、Y8C、Y8D、Y8E等系列
橡胶密封插座,端接形式为焊接
Y8D和Y8E有两种铅封穿丝结构,使用方便
本产品可广泛应用于航天、航空、兵器、舰船、通讯等行业的设备仪器舱内部电信号连接。
主要技术性能
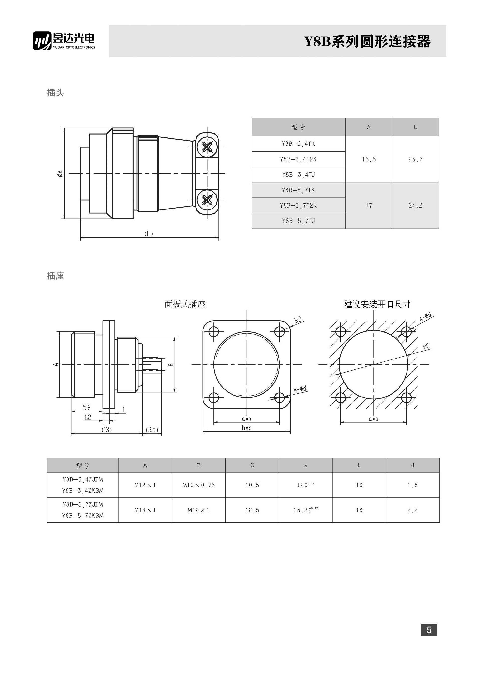
【Y8B系列】
工作温度: -55℃~125℃
相对湿度:40℃±2℃时,90%~95%
大气压力:101.3kPa~1.33Pa
正弦振动:10Hz~2000Hz, 加速度196m/s2
随机振动:功率谱密度0.2g2/Hz
冲 击:980m/s2
加速度:980m/s2
额定电流:3A
接触电阻:≤6mΩ (寿命前)
≤10mΩ (寿命后)
绝缘电阻:≥1000MΩ (标准条件)
≥500MΩ (高温条件)
≥50MΩ (潮湿条件)
≥50MΩ (淋雨条件)(仅适用于防雨型)
耐电压:1000V (标准条件)
500V (潮湿条件)
150V(1.33Pa 低气压条件)
密封性:泄漏率不大于1.33Pa·cm3/s (仅适用于密封插座)
机械寿命:500次
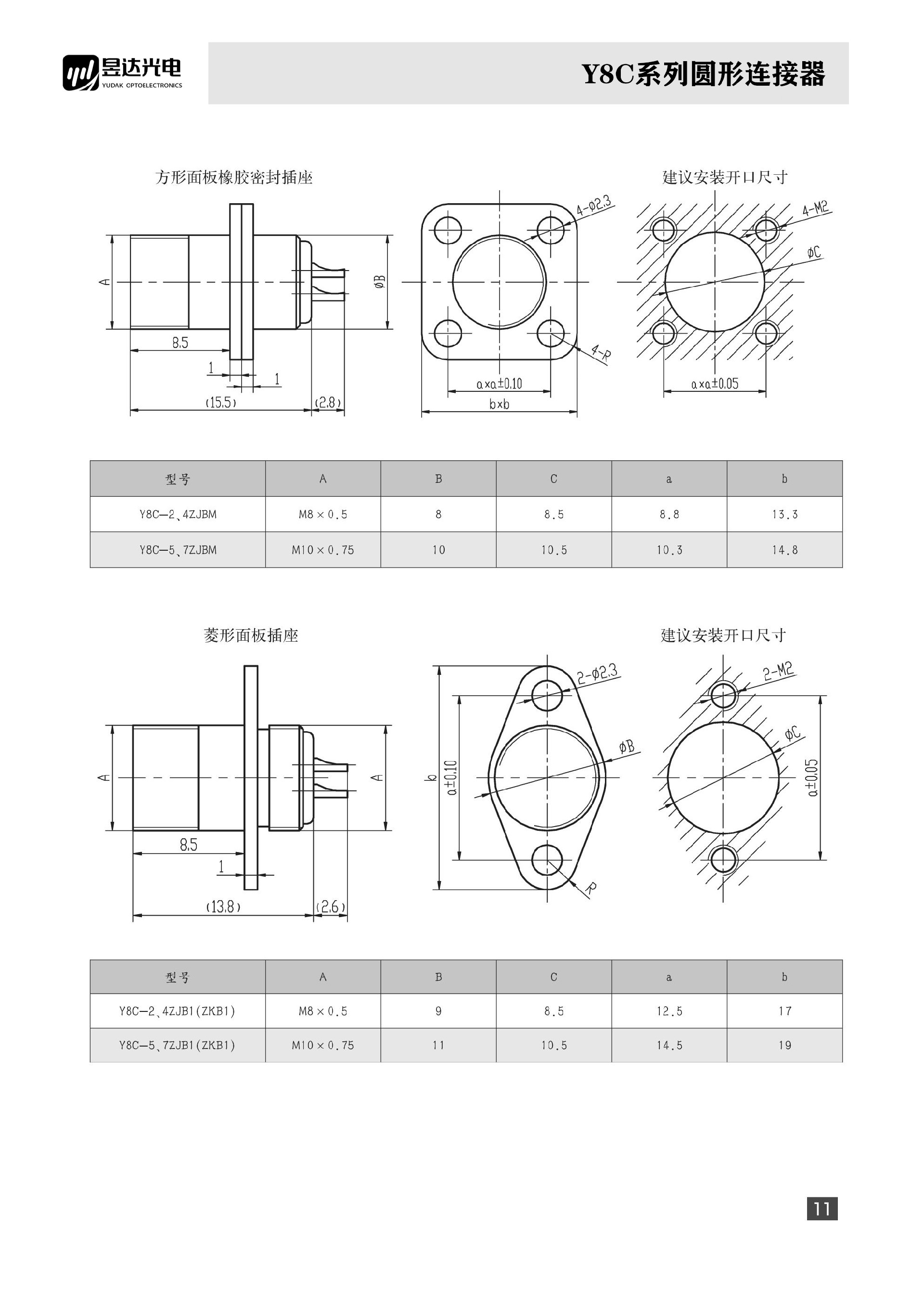
【Y8C系列】
工作温度: -55℃~125℃
相对湿度:40℃±2℃时,90%~95%
大气压力:101.3kPa~1.33Pa
正弦振动:10Hz~2000Hz, 加速度196m/s2
随机振动:功率谱密度0.2g2/Hz
冲 击:980m/s2
加速度:980m/s2
额定电流:5A
接触电阻:≤6mΩ (寿命前)
≤10mΩ (寿命后)
绝缘电阻:≥1000MΩ (标准条件)
≥500MΩ (高温条件)
≥50MΩ (潮湿条件)
耐电压:1000V (标准条件)
500V (潮湿条件)
150V(1.33Pa 低气压条件)
密封性:泄漏率不大于1.33Pa·cm3/s (仅适用于密封插座)
机械寿命:500次
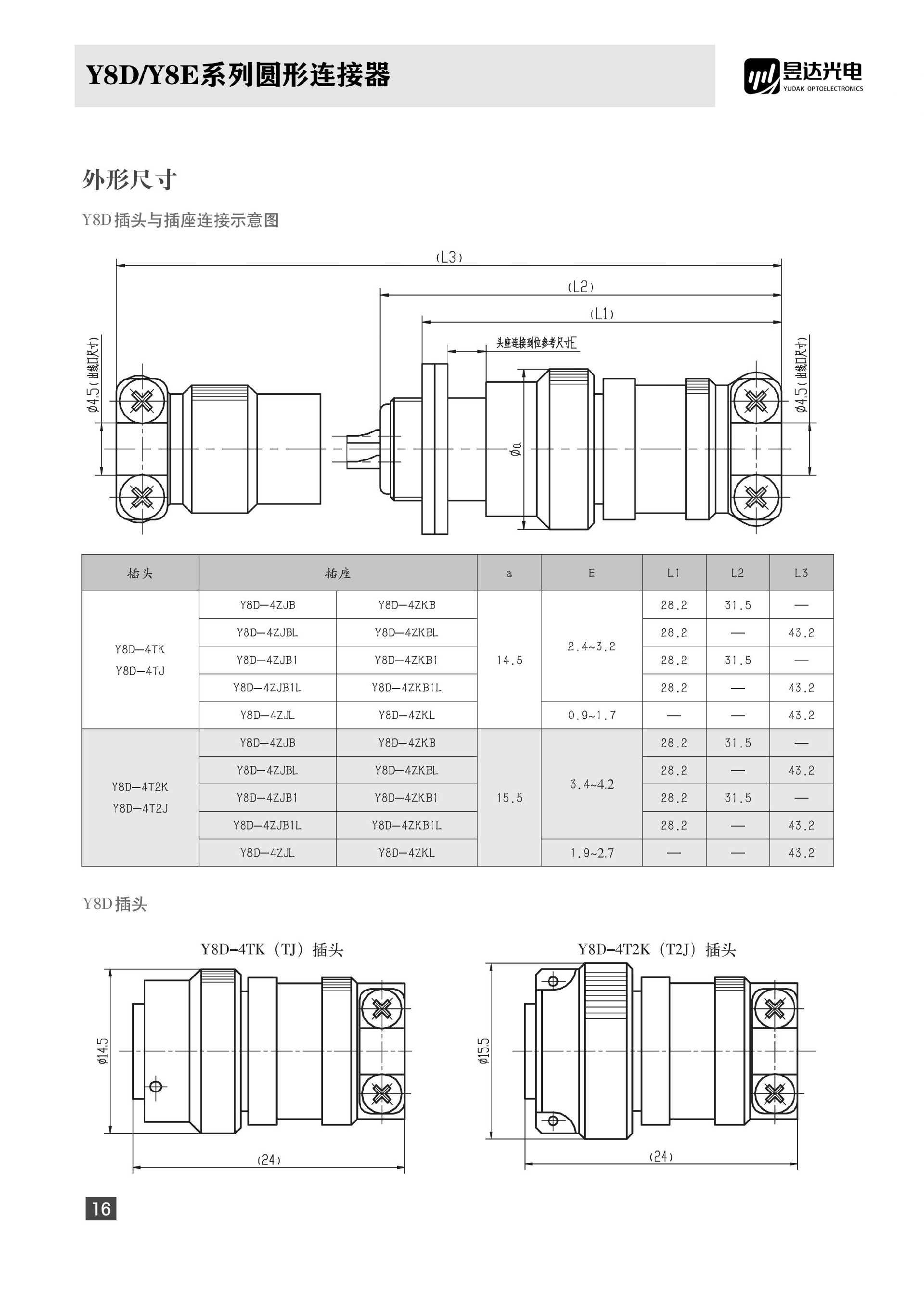
【Y8D/Y8E系列】
工作温度: -55℃~125℃
相对湿度:40℃±2℃时,90%~95%
大气压力:101.3kPa~1.33Pa
正弦振动:10Hz~2000Hz, 加速度196m/s2
随机振动:功率谱密度0.2g2/Hz
冲 击:980m/s2
加速度:980m/s2
额定电流:5A
接触电阻:≤6mΩ (寿命前)
≤10mΩ (寿命后)
绝缘电阻:≥1000MΩ (标准条件)
≥500MΩ (高温条件)
≥50MΩ (潮湿条件)
耐电压:1000V (标准条件)
500V (潮湿条件)
150V(1.33Pa 低气压条件)
机械寿命:500次






























